【希少】Teledyne e2v CX1140LGC 重水素サイラトロン
(EEV CX1140LG互換) ヒーター導通確認済 医療用リニアック/レーダー ジャンクです。
画像にある物が実物で1個のお値段になります。(2個在庫あり) 極上USED品です。
固定用樹脂クリップは付属しません(画像が実物で全てです)
政府機関ラボなどで使われ定期的に交換された物で壊れて
取り外した物ではなく外観および内部状態は極めて良好なUSED品ですが
実動作の確認環境がないためヒーター導通確認のみの現状渡し
(ジャンク扱い)としてご紹介しております事十分ご理解ご了承くださいませ。
外観はとても美しく上部メッシュ部に薄らとビーム痕があるのみです。
展示コレクション ディスプレイとしても大変貴重な物です。
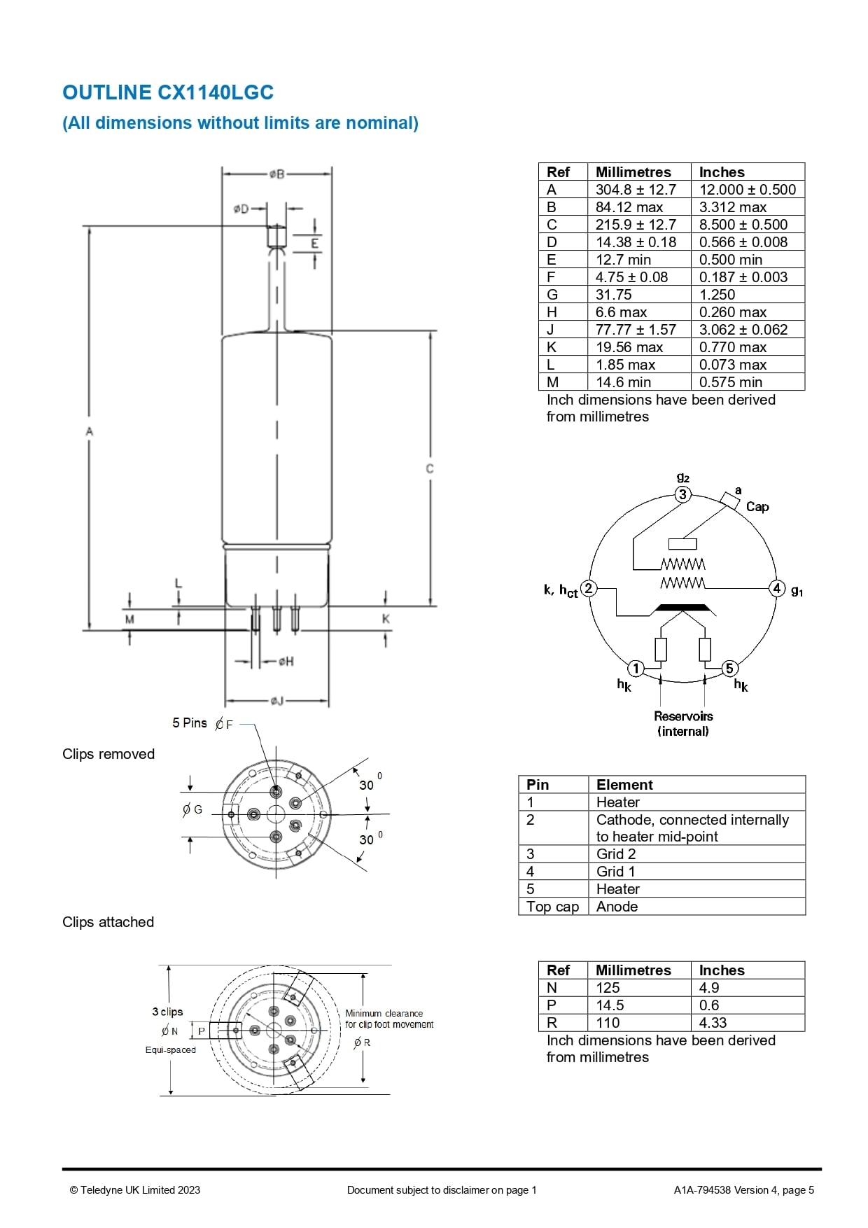
本品はCX1140LGの改良版で、機械的安定性が向上したモデルです。
新品ですと100万円以上しますし現状品ジャンク扱いでも十数万円で
取引されています(相場)
主な特徴と用途
このデバイスは、主に医療用のリニアック(線形加速器)、レーダーシステム、
レーザー装置などの高電圧・大電流パルスアプリケーション向けに設計されています。
機能: 高速なリカバリー特性を持つスイッチング素子として機能します。
構造: 重水素が充填されたテトロード(四極管)構造です。
互換性: 以前のモデルであるCX1140LGの直接の代替品であり、
電気的性能はそのままに機械的な安定性が向上しています。
主要諸元
ピーク順方向アノード電圧: 最大 33 kV
ピークアノード電流: 最大 1000 A
平均アノード電流: 連続動作時 最大 1.25 A
ヒーター電流: 22 A
【免責事項(重要)】
動作環境がないため、ヒーター通電確認のみで動作確認は行っておりません。
現状渡し(ノークレーム・ノーリターン)でお願いいたします。
再利用スポンジ(汚れあり)等を使い厳重に梱包しております。
注意事項
豊かな経験をお持ちの方にオススメする商品です。
ノークレームノーリターンをお約束できる
余裕と遊び心がある方向けアイテムです。
弊社は本品を使用することによって起こりうる
被害に関して一切保障はいたしません。
ショップの評価
Related product -関連商品-
Shopping Guide
それ以上でも請求致しません。
同封混載対応です。
安心してお買い物下さい。
古物商許可証 [第431290031510号/埼玉県公安委員会]


