激レア ロシア軍用 リレー 都市鉱山 RMUG リレー
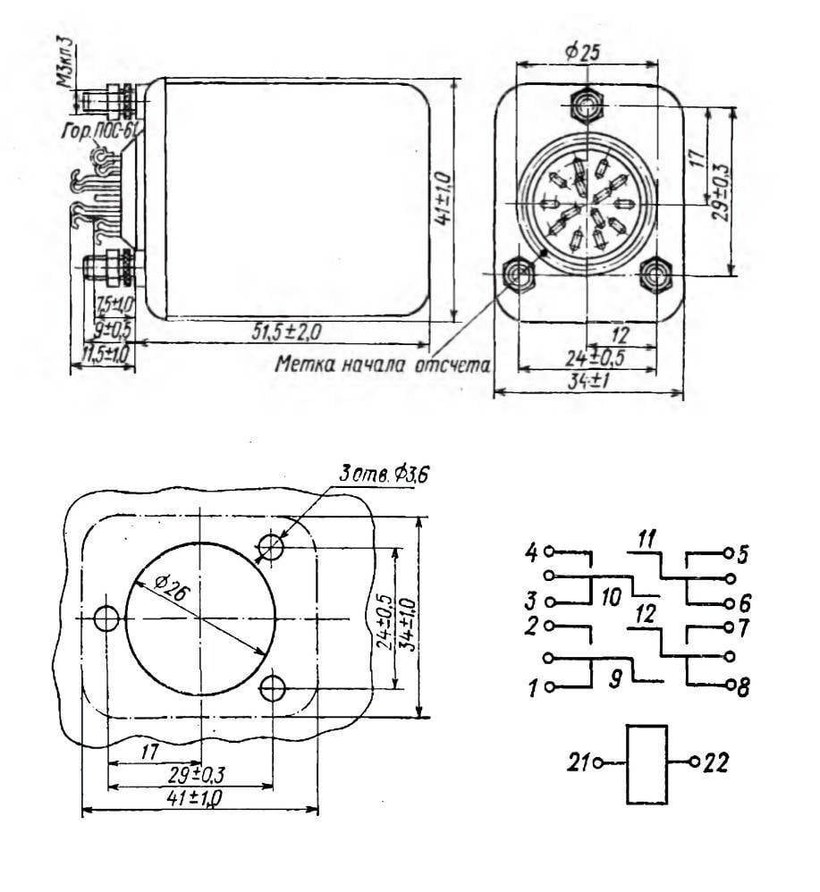
РМУГ РС4.523.402 27(24)V 4回路2接点 密閉 1個です。
ロシア軍用のリレーをご紹介します。
ヨーロッパの元ロシア領ロシア軍系倉庫より輸入しました。
70から80年代製造品で傷汚れ多数有りますが未使用です。
自社で厳密な品質チェックを行い個々に動作確認した物の
ご提供となりますがハンダ付けしたような痕跡もあります。
手作り感がありとても古い物なのでUSED中古品とご理解ください。
それらを加味したお値段になっております。
RMUGリレーは乾燥窒素封入の密閉型リレーで
接点容量は0.05から1A電圧6から300V
本品402はコイル電圧27Vですが16V位から
動作し始め24Vに対応しております。
コイル抵抗値430オーム 25msです。
ロシア軍規格なので上にはかなりのマージンがあると思います。
余談
都市鉱山で回収されてたリレーです。
ロシアの軍球やリレー等の電子部品の一部には
多くの純銀、パラジウム、イリジウムゴールド等が
含まれているため大がかりな回収なども行われた
中の生き残り品です(トランスなども鉄くずとして回収)
宇宙構想などにも使われていたため機能重視外観無視
ですが贅沢に作られていたと思います。
ご紹介する物は画像に有る同等品1個のお値段になります。
傷汚れ多数有りますが動作確認品で保証致します。
不具合は返金または代替えにて対応致します。
ご注意
本品は実際に使えるコレクターズアイテムです。
現代のパーツと比べてると高額アイテムです。
性能の良いお安い物が日本には沢山存在します。
こだわりのない人には全く不向きなアイテムです。
注意事項
豊かな経験をお持ちの方にオススメする商品です。
ノークレームノーリターンをお約束できる
余裕と遊び心がある方向けアイテムです。
弊社は本品を使用することによって起こりうる
被害に関して一切保障はいたしません。
ショップの評価
Related product -関連商品-
Shopping Guide
それ以上でも請求致しません。
同封混載対応です。
安心してお買い物下さい。
古物商許可証 [第431290031510号/埼玉県公安委員会]


